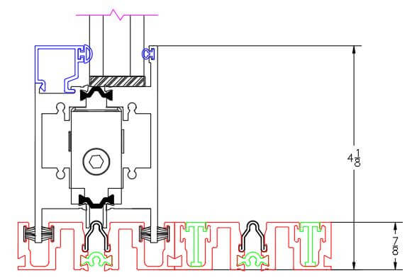
The new 4070-T sill option is now available in the June Snapshot download. It was designed to open up opportunities for the architectural styles and jumbo sizes of the Gen4 retrofit projects or conditions not conducive to the Arche-Duct sill. It’s similar to the time-tested and well-known Series 3070-T sill, but with a flush track/sill design without a raised track insert.
Subscribe to stay up-to-date with all door and window happenings
"*" indicates required fields


